Ningbo Richge Technology Co., Ltd.
Ningbo Richge Technology Co., Ltd.
Produk
ZN12-12 Siri Bersepadu Switch Circuit Circuit Circuit
  • ZN12-12 Siri Bersepadu Switch Circuit Circuit CircuitZN12-12 Siri Bersepadu Switch Circuit Circuit Circuit
  • ZN12-12 Siri Bersepadu Switch Circuit Circuit CircuitZN12-12 Siri Bersepadu Switch Circuit Circuit Circuit

ZN12-12 Siri Bersepadu Switch Circuit Circuit Circuit

Model:ZN12-12
ZN12-12 Series Indoor AC HV Vacuum Circuit Breaker adalah peralatan dalaman tiga fasa AC 50Hz, voltan diberi nilai 12kV, yang memperkenalkan teknologi dari syarikat Jerman. Ia sesuai untuk kawasan dengan semua jenis beban dan operasi yang kerap, dan boleh digunakan untuk perlindungan dan kawalan industri dan perlombongan, perusahaan, loji kuasa dan kemudahan elektrik pencawang. Produk ini selaras dengan keperluan berkaitan dengan piawaian GB1984, JB3855, DL403 dan IEC.

ZN12-12 Siri Bersepadu Switch Circuit Circuit Circuit

  ZN12-12 indoor high-voltage vacuum circuit breaker rated voltage of 12KV and the following indoor high-voltage switchgear, mainly installed in fixed switchgear, for industrial and mining enterprises, power plants and substations for the protection and control of electrical facilities, and is suitable for breaking important loads and frequent operation of the place!

  Pemutus litar vakum ZN12 siri adalah peranti switchgear voltan tinggi dalaman dengan voltan yang diberi nilai 12kV, 24kV, dan 40.5kV, dan tiga fasa AC 50Hz. Ia adalah produk domestik yang dibangunkan dengan memperkenalkan teknologi Siemens 3AF Jerman. Mekanisme operasi pemutus litar adalah jenis penyimpanan tenaga musim bunga, yang boleh dikendalikan oleh AC atau DC, atau secara manual. Pemutus litar mempunyai struktur mudah, kapasiti pemecahan yang kuat, hayat perkhidmatan yang panjang dan fungsi operasi lengkap. Dan tidak ada bahaya letupan, dan penyelenggaraannya mudah. Ia sesuai untuk suis kawalan atau perlindungan sistem penghantaran dan pengedaran kuasa seperti loji kuasa, pencawang dan perusahaan perindustrian dan perlombongan, terutamanya sesuai untuk memecahkan beban penting dan tempat operasi yang kerap. Borang pemasangan pemutus litar dalam kabinet suis boleh sama ada jenis tetap atau pemutus litar jenis yang boleh ditarik balik. Produk ini mematuhi piawaian yang berkaitan seperti GB1984, JB3855 dan IEC62271-100 "pemutus litar ac voltan tinggi".


Kelebihan:

1. Pemutus litar meluluskan penilaian Kementerian Jentera dan Kementerian Kuasa Elektrik pada 96 Ogos, yang bermaksud kualiti itu benar -benar dijamin.

Mekanisme pemutus litar disepadukan dengan suis, dan mekanisme penggerak jenis penyimpanan tenaga spring khas boleh dikendalikan oleh penyimpanan tenaga AC dan DC atau beroperasi secara manual.

Dengan struktur yang mudah, kapasiti pemecahan yang kuat, hayat perkhidmatan yang panjang, fungsi operasi lengkap, tidak ada bahaya letupan dan penyelenggaraan yang mudah, pemutus litar ini sesuai untuk kawalan atau perlindungan sistem penghantaran kuasa dan sistem pengedaran seperti loji kuasa, grid kuasa bandar, pencawang, dan lain -lain. Ia amat sesuai untuk memecahkan beban penting dan tempat dengan operasi yang kerap.


Ciri -ciri:

1. Kapasiti pemecahan ruang pemadam arka adalah tinggi, kapasiti bawaan semasa adalah rendah, dan kehidupan elektrik adalah panjang.

2. Susun atur adalah dari depan ke belakang, struktur mudah dan padat, operasi lengkap dan penyelenggaraan yang mudah.

3. Untuk struktur dan pemasangan, mereka boleh dibahagikan kepada: jenis tetap mendatar, jenis tetap yang cenderung, jenis movable set tengah.






Maklumat asas.



Parameter teknikal



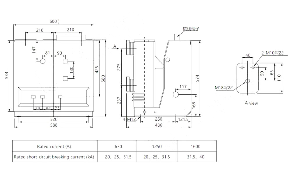
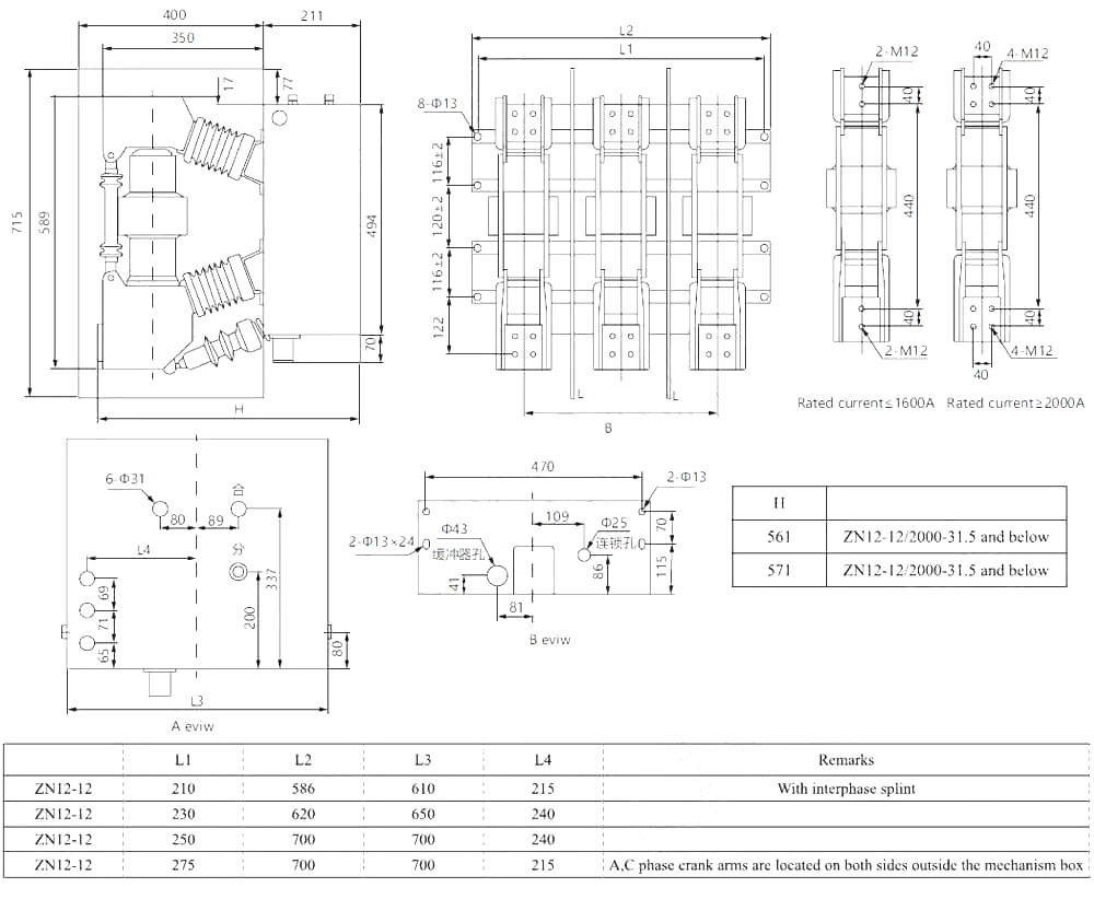
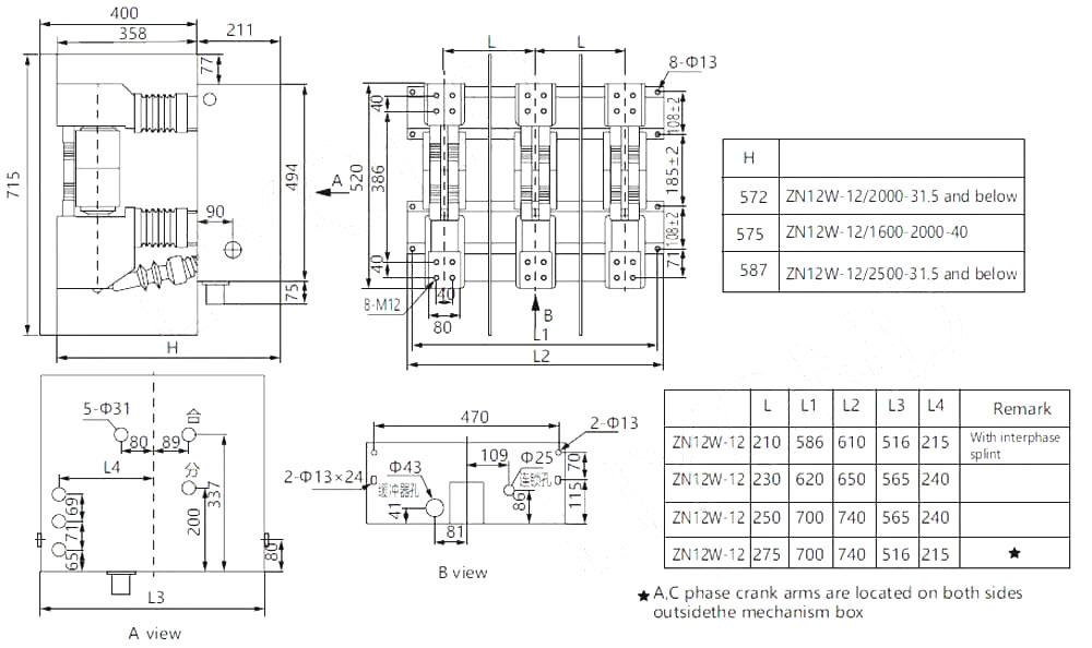
Lukisan Teknikal


Keadaan penggunaan Zn12-12 Switch Column Switch Vacuum Circuit Breaker1. Ketinggian: ≤1000 m; (Ketinggian prototaip dapat mencapai di bawah 4000 meter)

2. Suhu ambien: tertinggi +40 ° C, terendah -25 ° C;

3. Kelembapan relatif: purata harian tidak lebih daripada 95%, purata bulanan tidak melebihi 90%;

4. Intensiti Gempa: Kurang daripada 8;

5. Persekitaran Pemasangan: Tiada Kebakaran, Bahaya Letupan, Tiada Gas Kakisan dan Tiada Tempat Getaran Kekerasan.

6. Sila hubungi pengeluar pemutus litar vakum jika persekitaran penggunaan melebihi di atas.




Soalan Lazim

S: Bolehkah saya mempunyai harga produk anda?

A: Selamat datang. Jangan ragu untuk menghantar pertanyaan kepada kami di sini. Kami akan membalas anda dalam masa 24 jam.


S: Bolehkah saya mendapatkan sampel sebelum pesanan pukal?

A: Ya, kami mengalu -alukan pesanan sampel untuk menguji dan memeriksa kualiti. Sampel -sampel yang boleh diterima.


S: Bolehkah kita mencetak nama logo/ syarikat kami pada produk?

J: Ya, tentu saja, kami menerima OEM, maka memerlukan anda memberikan kebenaran jenama kepada kami


S: Adakah anda menerima penyesuaian produk?

J: Ya, tentu saja, sila berikan lukisan atau parameter tertentu, kami akan memetik anda setelah penilaian


S: Apakah masa utama?

A: Masa utama bergantung kepada kuantiti yang diperintahkan, secara amnya dalam masa 7-20 hari selepas menerima pembayaran.


S: Apakah syarat perdagangan anda?

A: Kami menerima EXW, FOB, CIF, FCA, dll.


S: Apakah kaedah pembayaran anda?  

J: Kami menerima T/T, Kesatuan Barat, PayPal, L/C yang tidak dapat ditarik balik, dll


S: Adakah anda memeriksa produk siap?

A: Ya, setiap langkah pengeluaran dan produk siap akan dikeluarkan oleh jabatan QC sebelum penghantaran. Dan kami akan menyediakan laporan pemeriksaan barang untuk rujukan anda sebelum penghantaran


S: Bagaimana menyelesaikan masalah kualiti selepas jualan?

J: Ambil gambar masalah kualiti dan hantar kepada kami untuk pemeriksaan dan pengesahan kami, kami akan membuat penyelesaian yang berpuas hati untuk anda dalam masa 3 hari.




Kilang


Sijil




Teg Panas: ZN12-12 Siri Bersepadu Lajur Switch Circuit Circuit Breaker, China, Pengilang, Pembekal, Kilang, Harga Rendah, Kualiti, Jualan Terkini, Lanjutan
Hantar Pertanyaan
Maklumat Hubungan
Untuk pertanyaan tentang suis voltan rendah, penebat voltan tinggi, suis pembumian voltan tinggi atau senarai harga, sila tinggalkan e-mel anda kepada kami dan kami akan berhubung dalam masa 24 jam.
X
We use cookies to offer you a better browsing experience, analyze site traffic and personalize content. By using this site, you agree to our use of cookies. Privacy Policy
Reject Accept