Ningbo Richge Technology Co., Ltd.
Ningbo Richge Technology Co., Ltd.
Produk
VBI-24 jenis penebat silinder silinder mv pemutus litar vakum
  • VBI-24 jenis penebat silinder silinder mv pemutus litar vakumVBI-24 jenis penebat silinder silinder mv pemutus litar vakum
  • VBI-24 jenis penebat silinder silinder mv pemutus litar vakumVBI-24 jenis penebat silinder silinder mv pemutus litar vakum

VBI-24 jenis penebat silinder silinder mv pemutus litar vakum

Model:VBI-24
Pemutus litar vakum dalaman VBI adalah generasi baru pemutus litar vakum pintar. Komponen hidupnya, termasuk interrupter vakum berprestasi tinggi dan terminal keluar atas dan bawah, dikemas dalam terminal pos resin epoksi. Reka bentuk ini membantu mencegah pencemaran di permukaan interrupter vakum, meningkatkan sifat penebatnya, kestabilan mekanikal, dan memperluaskan jangka hayatnya. Mekanisme operasi VBI-24 sisi dipasang jenis bikar litar vakum digunakan musim bunga untuk tenaga penyimpanan, yang boleh dikendalikan dengan dua cara, manual atau elektrik. Ciri-ciri yang sesuai dengan GB1984-89, JB3855-96<10kv Indoor High Voltage Vacuum Circuit Breaker General Technical Specifications>, Peruntukan yang berkaitan dengan piawaian IEC56. VBI-24 INDOOR INDOOR Voltan Voltan Vakum Pemutus Litar adalah tiga fasa AC 50Hz, voltan dinilai 24kV peranti dalaman, untuk perusahaan perindustrian dan perlombongan, loji kuasa dan pencawang sebagai kawalan peralatan dan perlindungan peralatan elektrik, dan untuk operasi yang kerap di tempat.

VBI-24 jenis penebat silinder silinder mv pemutus litar vakum

   VBI-24 siri pemutus litar vakum voltan tinggi dengan kutub tertanam adalah tiga frasa A.C.50 Hz peralatan pengedaran kuasa dalaman dengan voltan yang diberi nilai 24 kv.Ia digunakan untuk melindungi dan mengawal peralatan elektrik dalam bidang industri dan perusahaan perlombongan, loji kuasa dan bahan.

   Litar konduktif utama pemutus litar vakum jenis ini dengan mekanisme musim bunga adalah tiang tertanam, yang dapat meningkatkan kebolehpercayaan penebat, prestasi mekanikal dan pecah dan benar-benar menyedari penyelenggaraan bebas dan kehidupan mekanikal dan elektrik yang lebih lama. Keupayaan mencapai gred M-E2-C2.

   Produk ini digunakan untuk pelbagai jenis suis seperti Kyn28-24 (Gzs1) dan boleh dipasang pemasangan.

  VBI-24 INDOOR INDOOR Voltan Voltan Vakum Pemutus Litar adalah tiga fasa AC 50Hz, voltan dinilai 24kV peranti dalaman, untuk perusahaan perindustrian dan perlombongan, loji kuasa dan pencawang sebagai kawalan peralatan dan perlindungan peralatan elektrik, dan untuk operasi yang kerap di tempat.







Maklumat asas.


Parameter teknikal




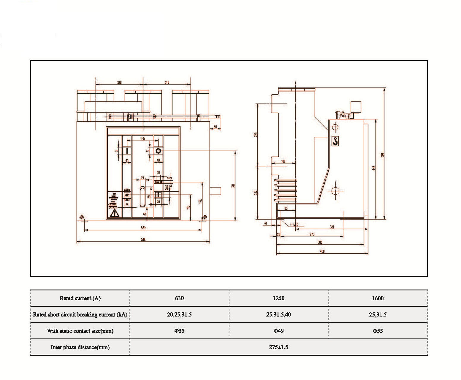
Lukisan Teknikal

Soalan Lazim

S: Bolehkah saya mempunyai harga produk anda?

A: Selamat datang. Jangan ragu untuk menghantar pertanyaan kepada kami di sini. Kami akan membalas anda dalam masa 24 jam.


S: Bolehkah saya mendapatkan sampel sebelum pesanan pukal?

A: Ya, kami mengalu -alukan pesanan sampel untuk menguji dan memeriksa kualiti. Sampel -sampel yang boleh diterima.


S: Bolehkah kita mencetak nama logo/ syarikat kami pada produk?

J: Ya, tentu saja, kami menerima OEM, maka memerlukan anda memberikan kebenaran jenama kepada kami


S: Adakah anda menerima penyesuaian produk?

J: Ya, tentu saja, sila berikan lukisan atau parameter tertentu, kami akan memetik anda setelah penilaian


S: Apakah masa utama?

A: Masa utama bergantung kepada kuantiti yang diperintahkan, secara amnya dalam masa 7-20 hari selepas menerima pembayaran.


S: Apakah syarat perdagangan anda?

A: Kami menerima EXW, FOB, CIF, FCA, dll.


S: Apakah kaedah pembayaran anda?  

J: Kami menerima T/T, Kesatuan Barat, PayPal, L/C yang tidak dapat ditarik balik, dll


S: Adakah anda memeriksa produk siap?

A: Ya, setiap langkah pengeluaran dan produk siap akan dikeluarkan oleh jabatan QC sebelum penghantaran. Dan kami akan menyediakan laporan pemeriksaan barang untuk rujukan anda sebelum penghantaran


S: Bagaimana menyelesaikan masalah kualiti selepas jualan?

J: Ambil gambar masalah kualiti dan hantar kepada kami untuk pemeriksaan dan pengesahan kami, kami akan membuat penyelesaian yang berpuas hati untuk anda dalam masa 3 hari.




Kilang


Sijil




Teg Panas: VBI-24 Jenis Tetap Penebat Silinder MV Pemutus Litar Vakum, China, Pengilang, Pembekal, Kilang, Harga Rendah, Kualiti, Jualan Terkini, Lanjutan
Hantar Pertanyaan
Maklumat Hubungan
Untuk pertanyaan tentang suis voltan rendah, penebat voltan tinggi, suis pembumian voltan tinggi atau senarai harga, sila tinggalkan e-mel anda kepada kami dan kami akan berhubung dalam masa 24 jam.
X
Kami menggunakan kuki untuk menawarkan anda pengalaman menyemak imbas yang lebih baik, menganalisis trafik tapak dan memperibadikan kandungan. Dengan menggunakan tapak ini, anda bersetuju dengan penggunaan kuki kami. Dasar Privasi
Tolak Terima